Product Description
- Fits common flush and outside stake pockets.
- Provides convenient tie point for your chains or straps.
- D-rings are not approved for overhead use.
- Not for lifting.
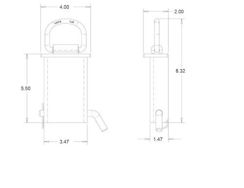
The Stake Pocket 3/8 Inch Forged D-Ring with 2 Inch I.D. from Buyers Products can be quickly drop-mounted into a stake body pocket as an anchor point for chains or straps.
It features a sturdy, forged steel 3/8 in. D-ring with a 2 inch internal diameter, a zinc-coated finish, and a hitch pin with cotter. It fits conveniently in common flush and outside stake body pockets.
D-rings are not approved for overhead use.
SPECIFICATIONS
- Ring Dia.(in.) - 0.375"
- Bracket Thickness - 1.47"
- Bracket Length (in.) - 5.50"
- Bracket Width (in.) - 3.47"

Product Common Use: Stake Bodies, Cargo Control